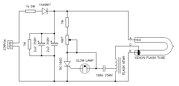
氙气灯管频闪仪是一种经典应用,通常使用 diac 触发管子。 同样,霓虹灯可以成功地取代 diac。 电路工作原理如下:电源电压由 1N4007 整流 二极管和两个并联的 2.2 μF 高压电解电容器充电 用作氙气灯储能的电容器。 与它们并联的 1 MΩ 电阻器充当泄放器,以缓慢地 当电路断电时释放此能量。 带有电源的串联 1 kΩ 电阻器起着双重作用: 它限制了电路首次接通时的浪涌电流,并且 防止电容器在频率 作设置得太高,因为这会以过多的能量驱动管子 并损坏它。
A xenon tube stroboscope is another classic application that commonly uses a diac to trigger the tube. Here again, a neon glow lamp can successfully replace the diac. The circuit works as follows: the mains voltage is rectified by the 1N4007 diode and charges two parallel 2.2 μF high voltage electrolytic capacitors that are used as energy storage for the xenon lamp. The 1 MΩ resistor in parallel with them acts as bleeder to slowly discharge this energy when the circuit is powered off. A series 1 kΩ resistor with the mains supply plays a double role: it limits the inrush current when the circuit is first switched on and prevents the capacitors from charging too quickly if the frequency of operation is set too high, as this would drive the tube with too much energy and damage it.
小电流流过 1 MΩ 电阻和 4.7 MΩ 电位计,为 100 nF 电容器缓慢充电 通过触发变压器。 当电压达到辉光灯的电离时,TIC106D 晶闸管被触发并突然对这个 100 nF 电容器放电 通过变压器,变压器为氙气提供高压脉冲 管:氙气管电离并产生明亮的闪光。 一旦管子用完了两个电解电容器中的所有能量,它 失去电离并循环重复。 通过调整电位计,100 nF 电容器 充电可以变化,闪光频率也可以变化。
A small current flows through the 1 MΩ resistor and the 4.7 MΩ potentiometer, slowly charging the 100 nF capacitor through the trigger transformer. When the voltage reaches the ionization of the glow lamp, the TIC106D thyristor is triggered and suddenly discharges this 100 nF capacitor through the transformer which provides a high voltage pulse to the xenon tube: the xenon tube ionizes and produces a bright flash. Once the tube has used all the energy in the two electrolytic capacitors, it loses its ionization and the cycle repeats. By adjusting the potentiometer, the speed at which the 100 nF capacitor is charged can be varied, and so does the flash frequency.

频闪仪的电路图。
电解电容器中存储的能量可能是致命的,即使 电路关闭或拔下:即使 Bleeder 电阻器在 放置,请务必确保在接触电路之前将它们放电。
The energy stored in the electrolytic capacitors can be lethal even when the circuit is switched off or unplugged: even with the bleeder resistor in place, always make sure they are discharged before touching the circuit.

频闪仪的图片
和以前一样,灯 不会明显发光,而氙气管的强烈闪光无论如何都会 压倒荧光灯发出的微弱光芒。 不要指望看到它发光。顺便说一句,氙气闪光管也是一种气体放电管。 但它与辉光灯的不同之处在于其更高的气体压力需要 电离电压要高得多。 在这里,光是由电极之间的气体(称为正柱)发出的,而不是仅覆盖负极的辉光 电极。 气体混合物也不同。
As before, the lamp will not visibly glow and the strong flash of the xenon tube will anyway overpower the little light emitted by the glow lamp. Do not expect to see it glowing.By the way, the xenon flash tube is also a gas discharge tube. But it differs from the glow lamp for its higher gas pressure requiring a much much higher ionization voltage. Here the light is emitted by the gas between the electrodes called positive column and is not a glow covering just the negative electrode. The gas mixture is also different.
UVC、UVB、UVA辐照箱或日光D65辐照箱
霍尔/磁电/光电式转速传感器工作原理和应用
使用斑马胶带和激光转速传感器对旋转轴进行扭矩测量
紫外线辐照实验箱:皮肤光老化实验设备